Here are the programming instructions for a 1990 Buick Park Avenue Key Fob Remote. If you need an extra Key Fob or Replacement Fob for any vehicle you might have visit us at Keylessentryremotefob.com You can also leave comments or suggestions at the bottom of this blog and if you like what we provide please forward on to your friends & family; people like you are our best advertising tool!
ORDER THIS KEY FOB PART NUMBER HERE: 25602667
1. Make sure the ignition is in the OFF position.
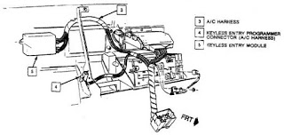
2. Locate the keyless entry programming connector behind the passenger side instrument panel accessed by opening the glove box and looking to the top left side where it is held in place with a clip. It is a plastic connector with 2 wires leading up to it. The connector is not plugged into anything. You will have to pull out the inner tray of the glove compartment to access the connector.
3. The programming connector should have two terminals. Connect the terminals with a suitable jumper wire. The locks with cycle (lock and unlock by themselves) to indicate you have entered programming mode.
4. Press the UNLOCK button on the first remote. The locks will cycle to confirm.
5. Press UNLOCK on a second remote (if any.) The locks will cycle to confirm.
6. Remove jumper wire.
Having trouble programming the remote or just want a professional to program the remote for you? Enter your city or zip code in the search box below to find a professional key fob installer in your area.
ENTER YOUR CITY NAME OR ZIP CODE TO FIND A
PROFESSIONAL KEY FOB INSTALLER NEAR YOU
Subscribe To Our Social Networks For Special Discounts, Offers, & Contests!
By Keyless Entry Remote Inc
